Fitting Model :
HONDA STREAM RN6
Model Year :
2013
Grade :
RSZ S PACKEAGE
Parts Information :
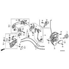
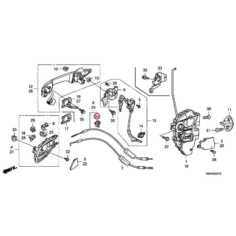
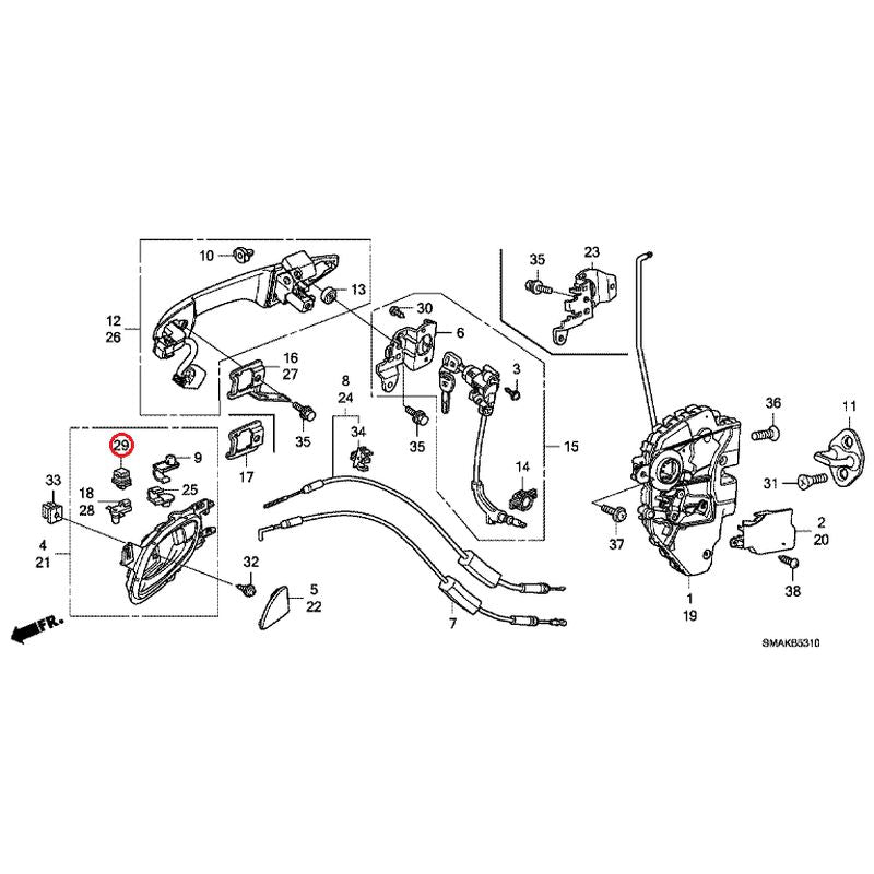
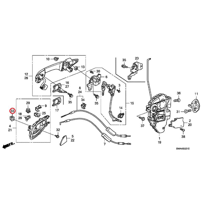
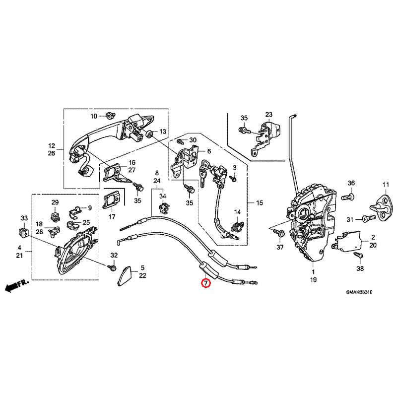
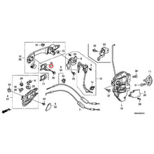
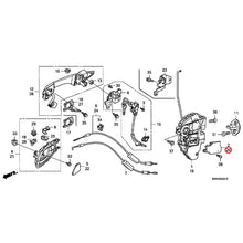
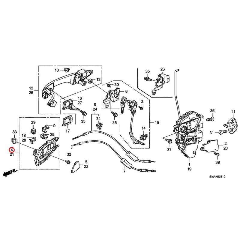
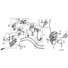
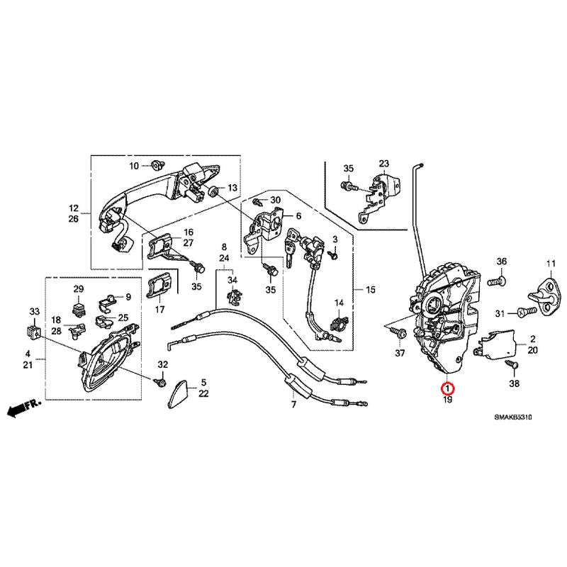
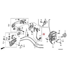
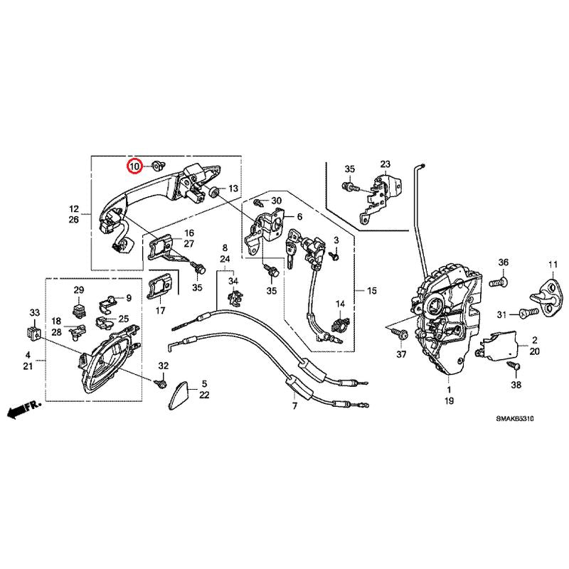
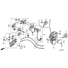
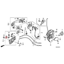
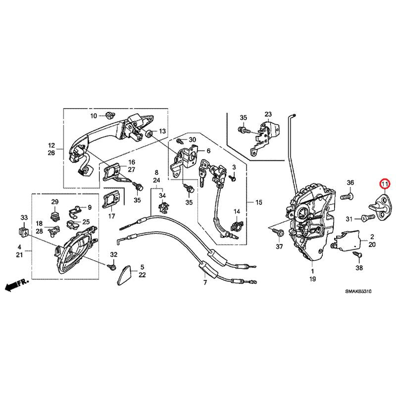
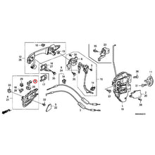
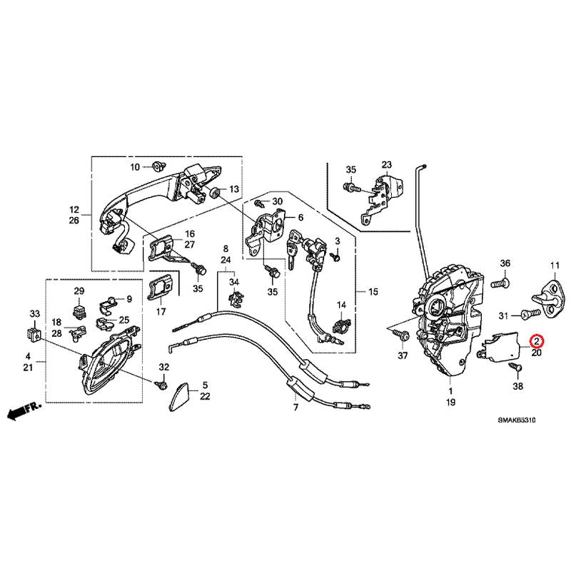
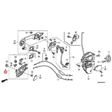
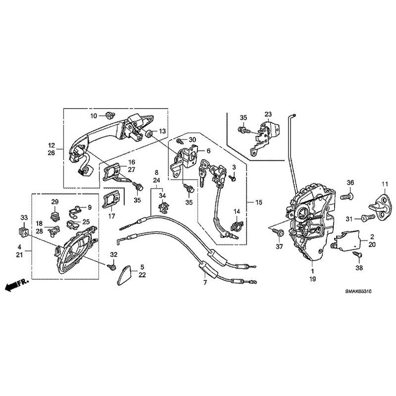
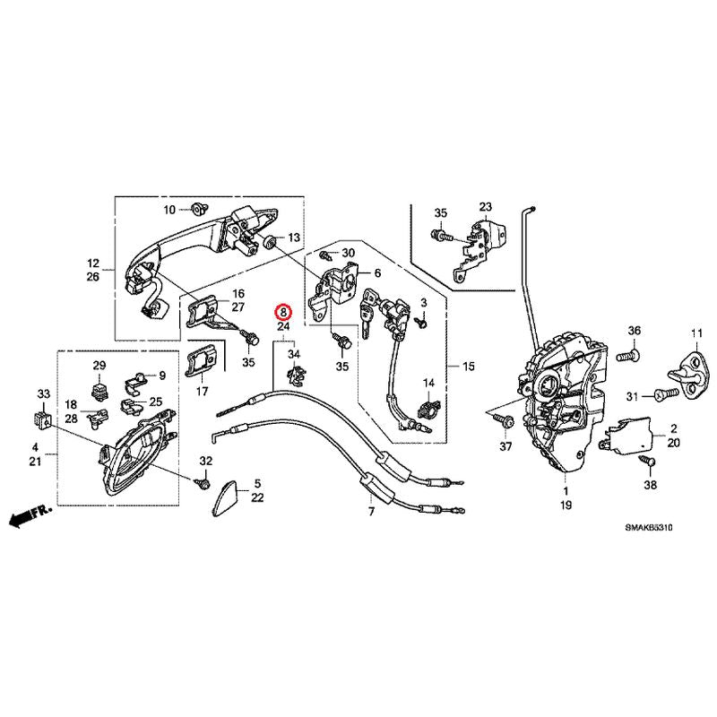
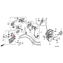
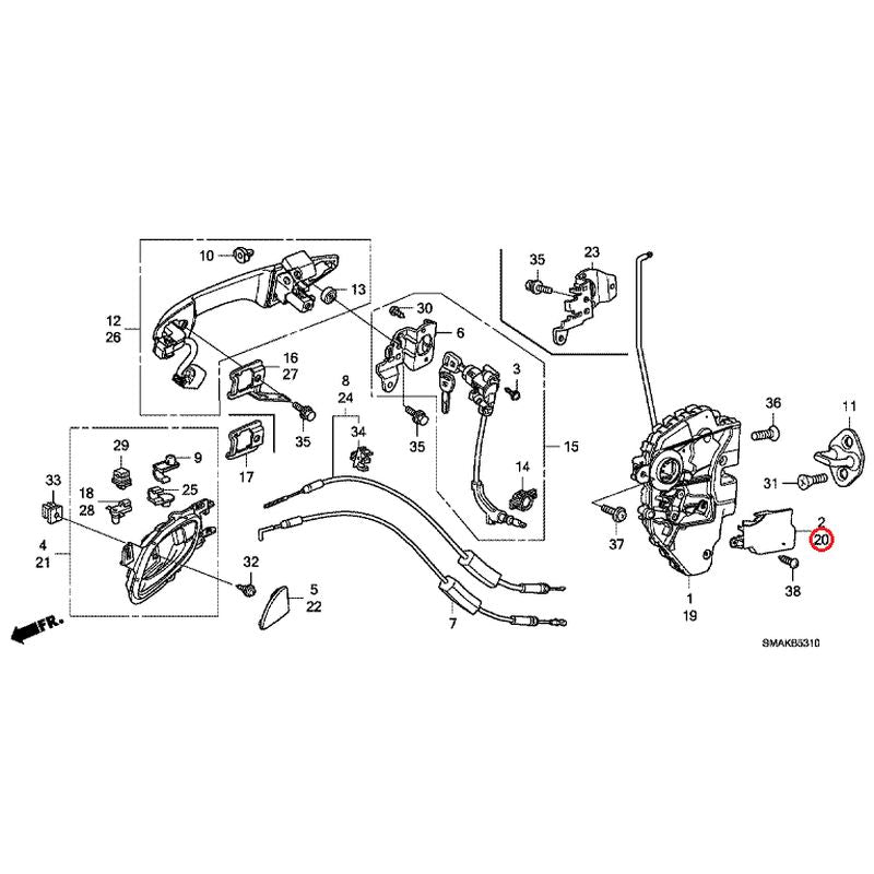
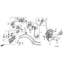
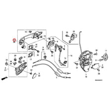
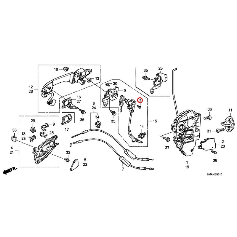
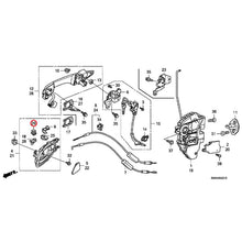
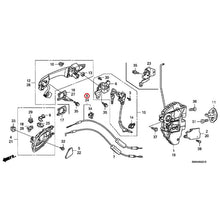
Front Door Locks/Outer Handles
QTY
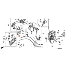
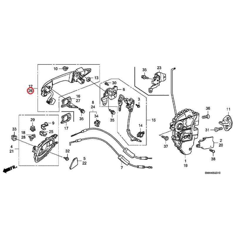
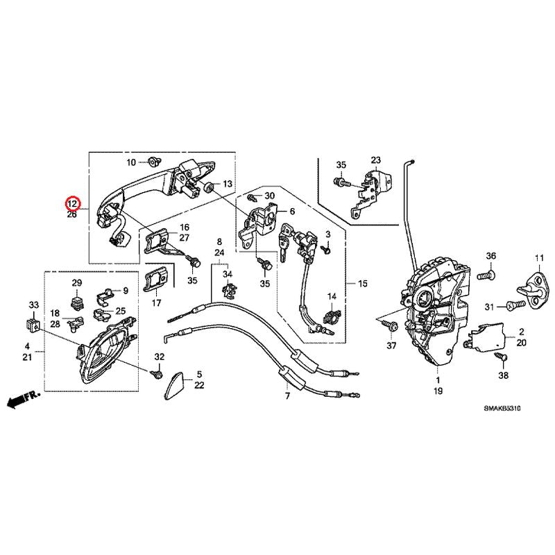
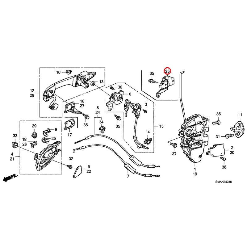
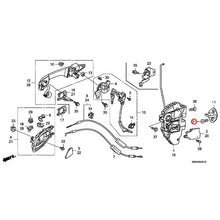
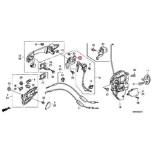
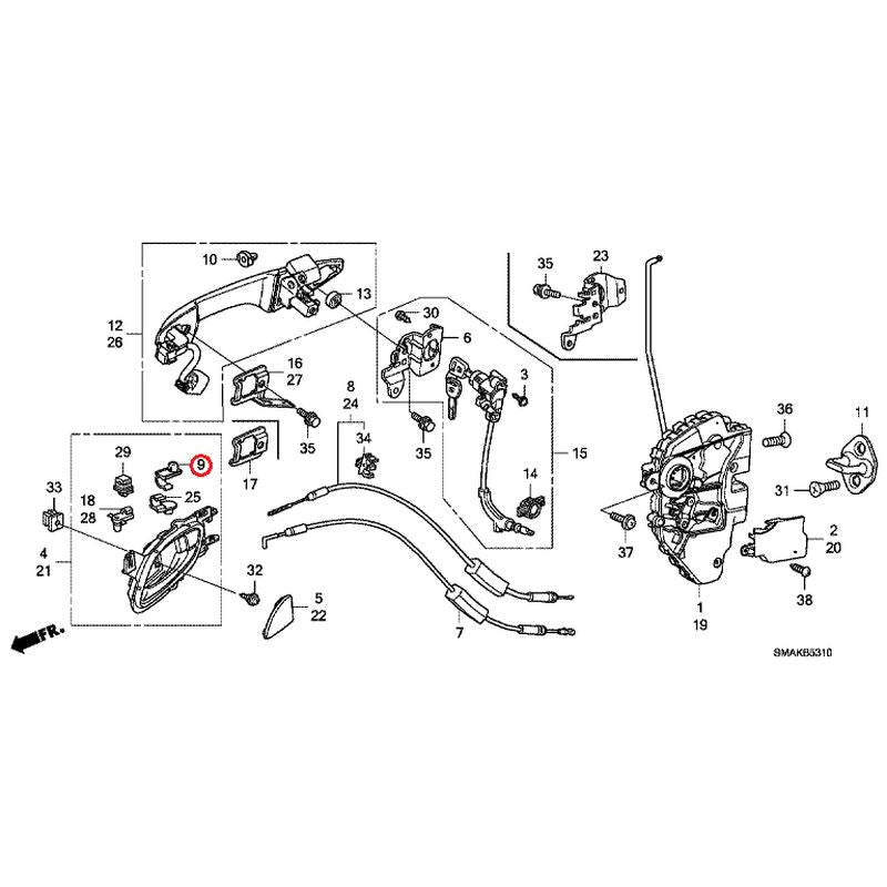
72110-SMA-J04
Latch assembly., R. Front door power
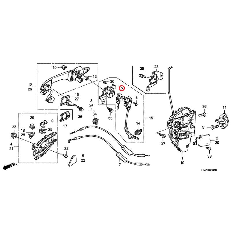
72112-SJK-003
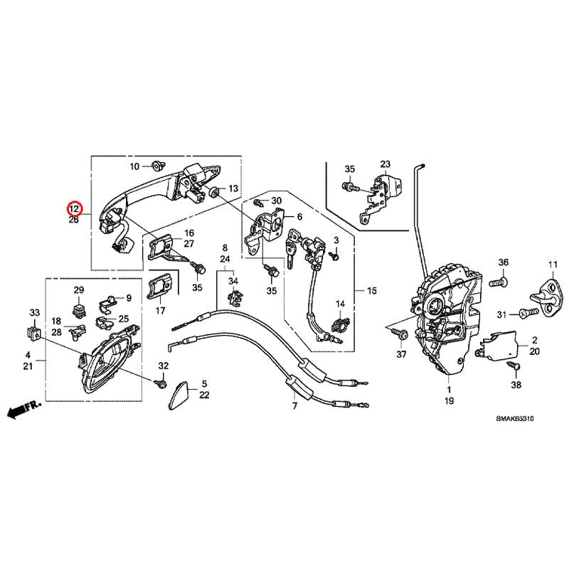
Protector, R. Door Latch
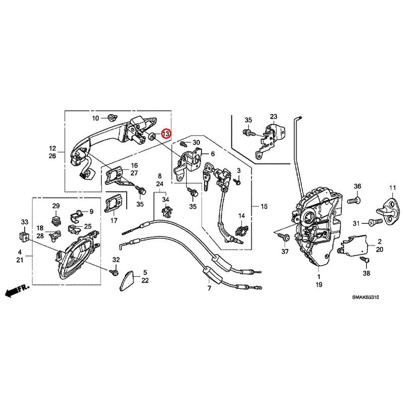
72118-SJK-003
Screw, tapping
72120-SMA-J01ZA
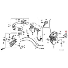
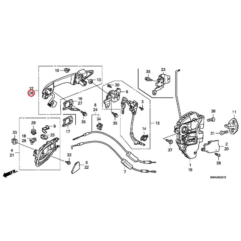
Handle ASSY., R. Inside * NH167L * (NH167L Graphite Black)
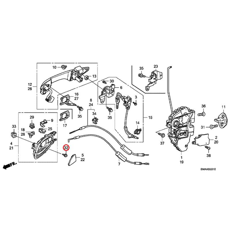
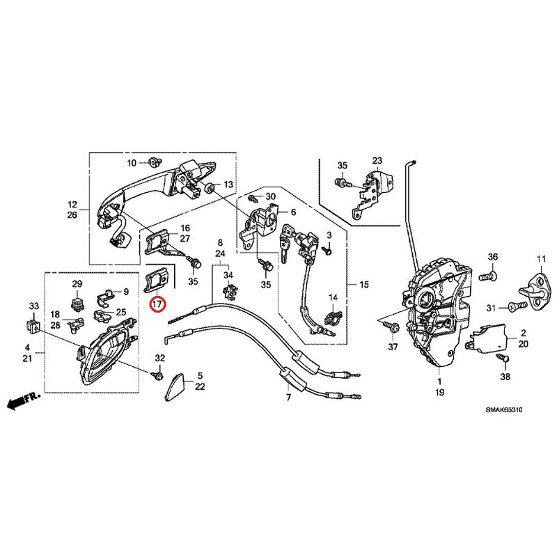
72121-SMA-003ZA
Cap, R. Inside Handle * NH167L * (NH167L Graphite Black)
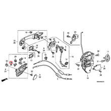
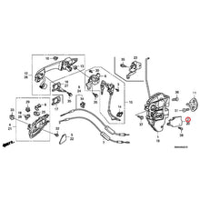
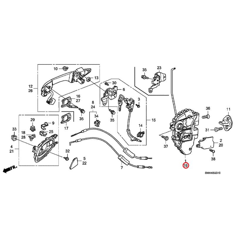
72130-SMA-003
Protector, R. Front outer handle
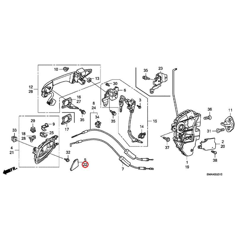
72131-SMA-003
Cable, front inside handle
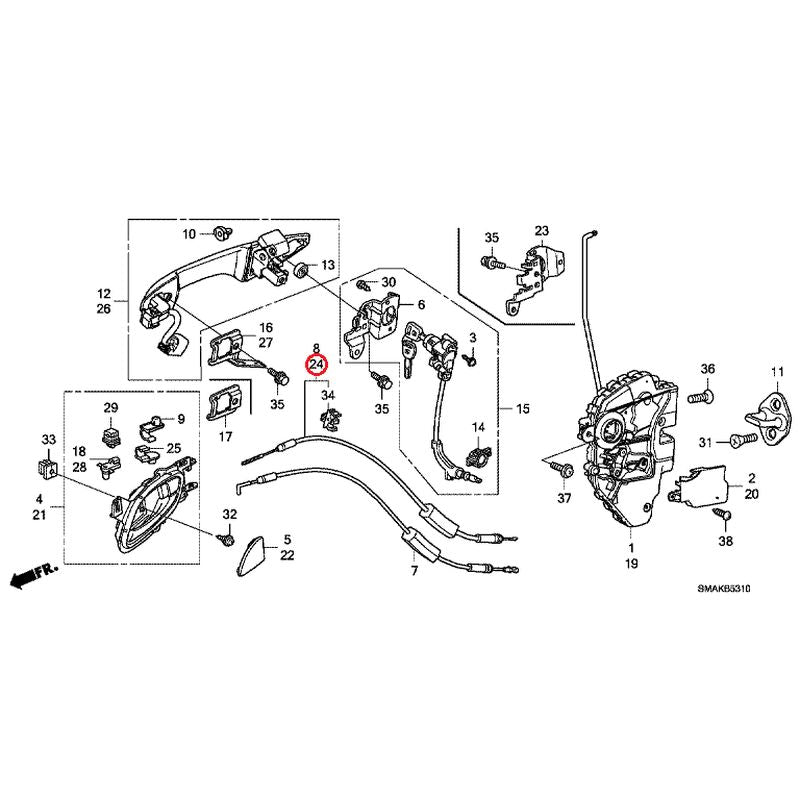
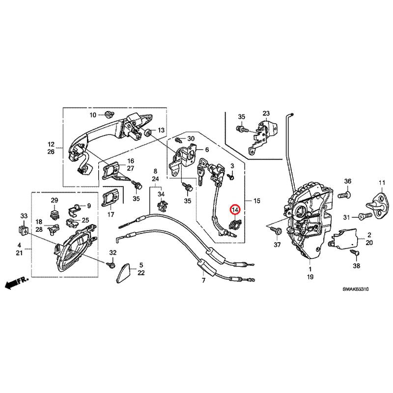
72133-SMA-003
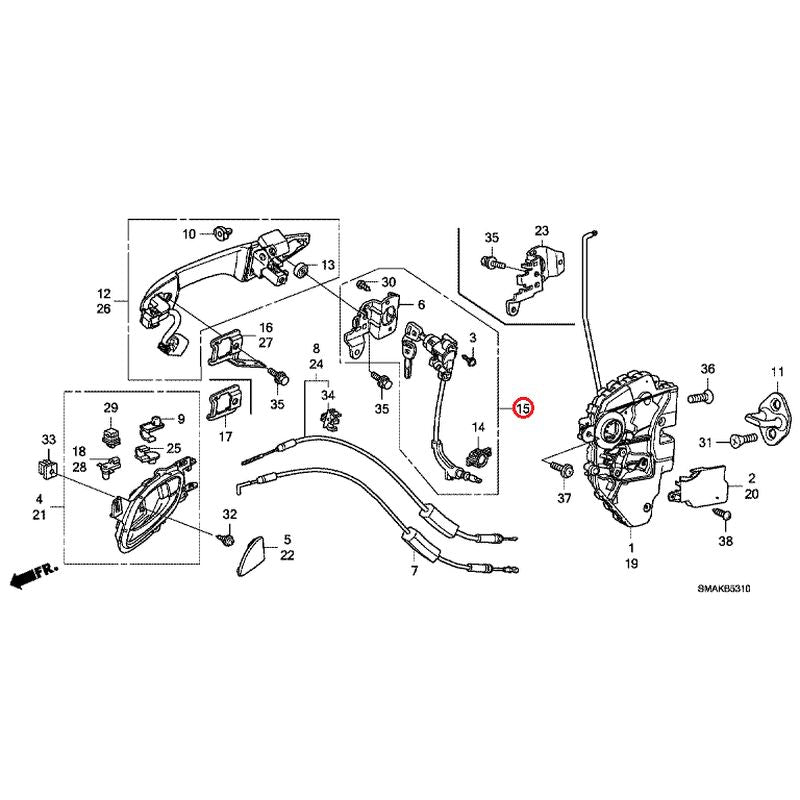
Cable, R. Front Door Lock
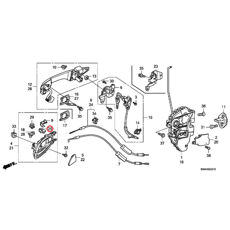
72134-SHJ-003
Clip S, Cable End (Natural)
72174-SHJ-003
Clip T, Cable End (Black)
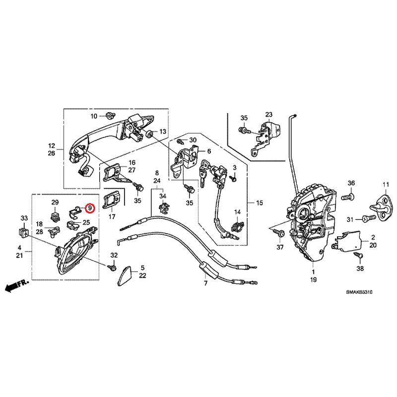
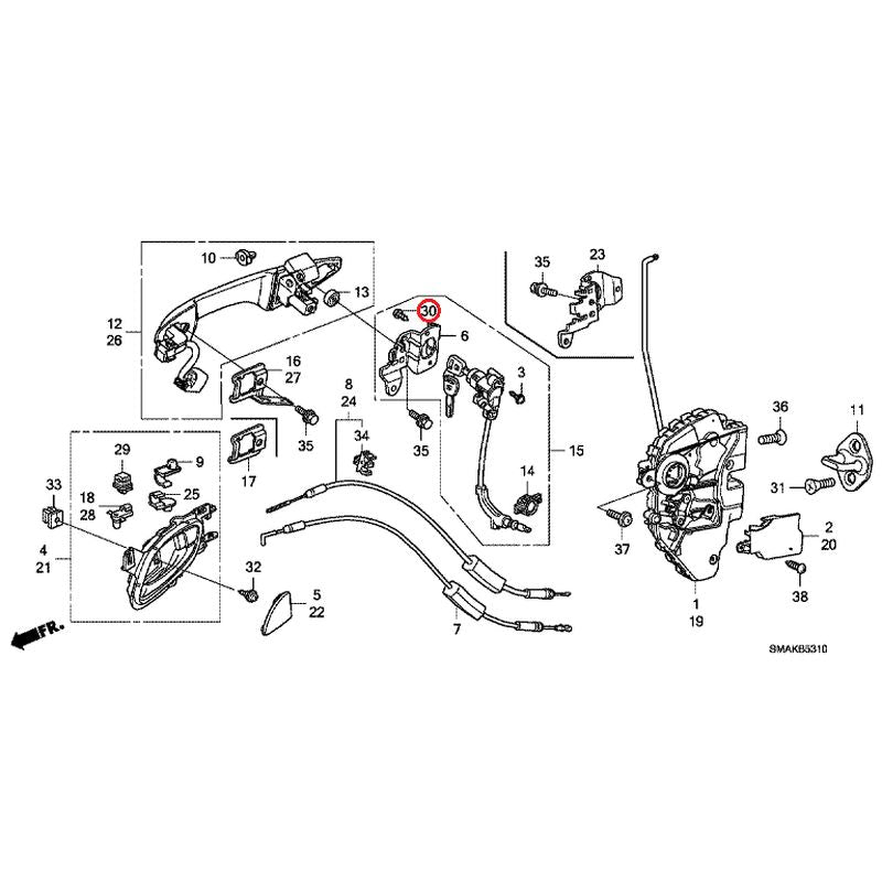
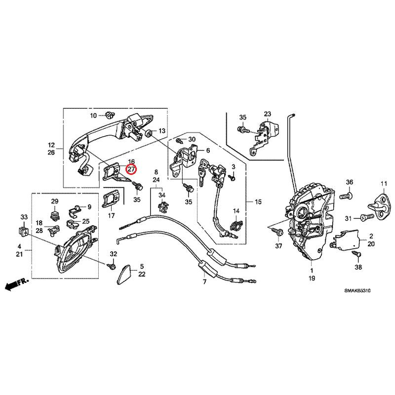
72134-SM1-003
Bush, outside handle joint
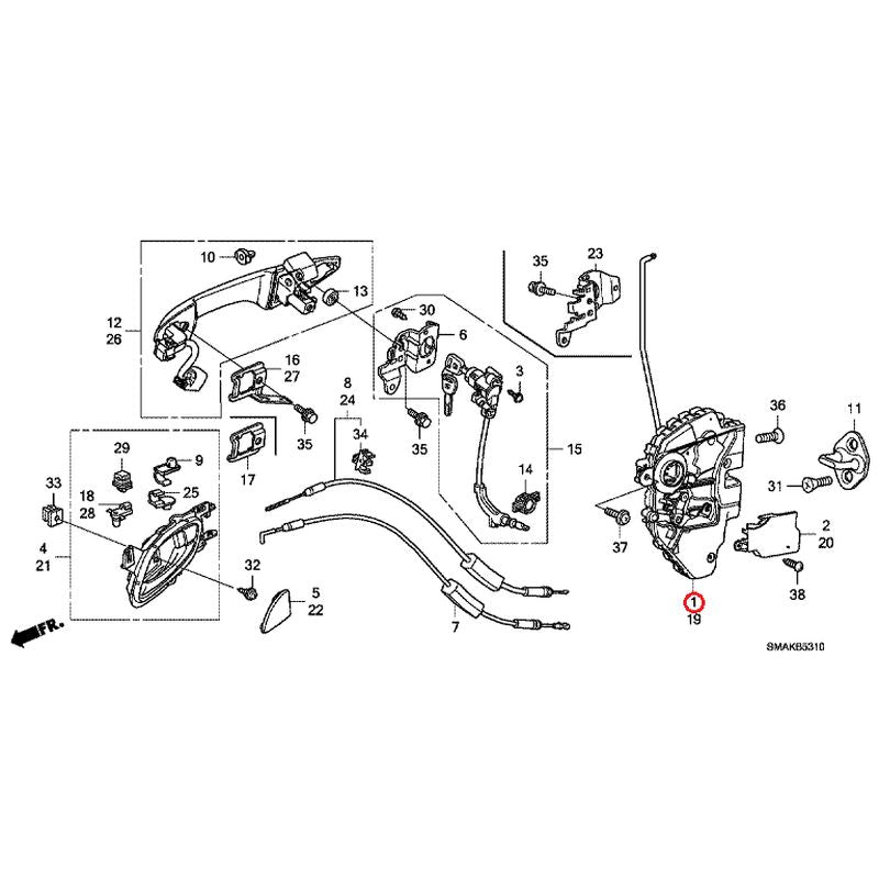
72135-SDA-A01
Striker ASSY., Door Lock
72140-SMA-J01
Handle ASSY., R. Front Door Outside
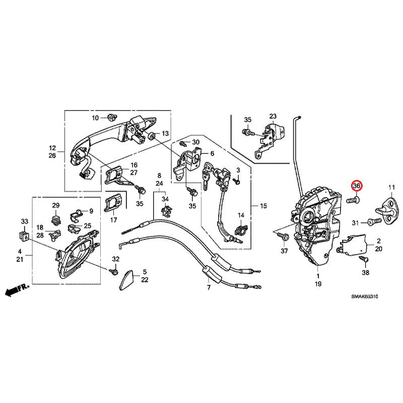
72140-SMA-J22
Handle ASSY., R. Front Door Outside (Smart)
72143-S04-003
Packing
72144-SJD-003
Retainer
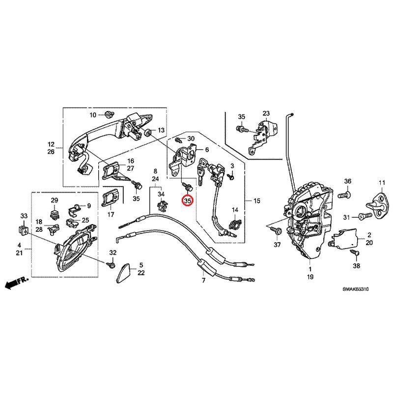
72145-SMA-003
Cylinder, R. Door
72146-SJD-J00
Spacer, R. Front Door Outer Handle (Smart)
72146-S9A-003
Spacer, door outside handle
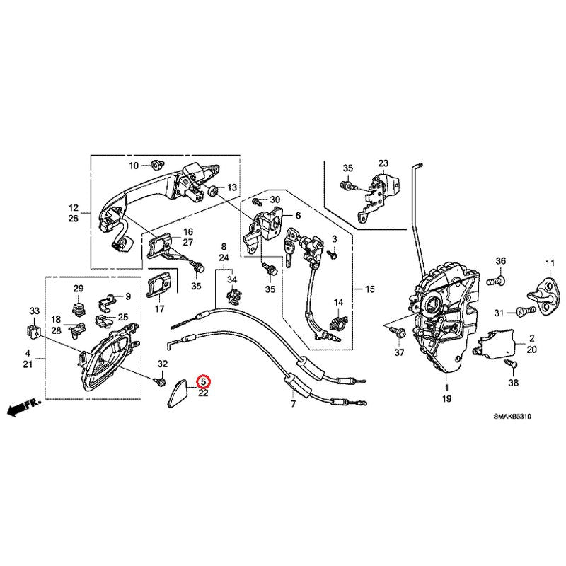
72149-SAA-003
Snap, R.
72150-SMA-J04
Latch assembly., L. Front door power
72152-SJK-003
Protector, L. Door Latch
72160-SMA-J01ZA
Handle ASSY., L. Inside * NH167L * (NH167L Graphite Black)
72161-SMA-003ZA
Cap, L. Inside Handle * NH167L * (NH167L Graphite Black)
72170-SMA-003
Protector, L. Front outer handle
72173-SMA-003
Cable, L. Front Door Lock
72134-SHJ-003
Clip S, Cable End (Natural)
72174-SHJ-003
Clip T, Cable End (Black)
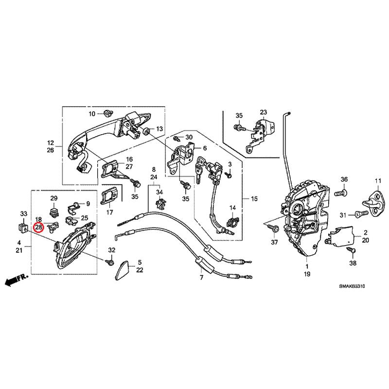
72180-SMA-J01
Handle ASSY., L. Front Door Outside
72180-SMA-J22
Handle ASSY., L. Front Door Outside (Smart)
72186-SJD-J00
Spacer, L. Front Door Outer Handle (Smart)
72189-SAA-003
Snap, L.
74387-S3C-003
fastener
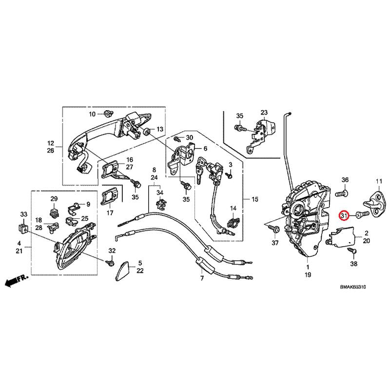
90101-SJK-003
Screw, tapping (one way)
90120-SV4-000
Bolt, lock striker
90141-SDA-000
Screw, Tapping 5X12
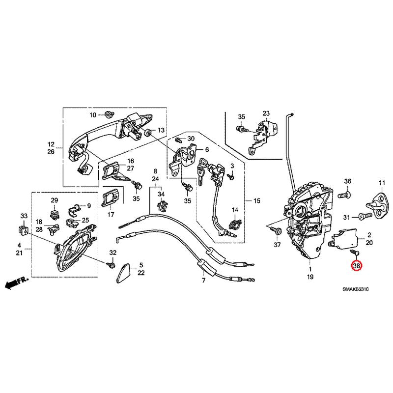
90662-SB2-003
Grommet, Screw 5MM
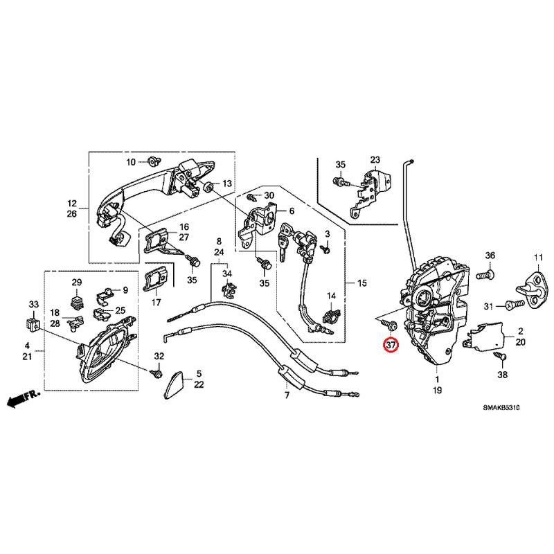
90691-SJD-003
Clip, Latch Cable
93403-06012-08
Bolt washer 6X12
93600-06020-0A
Screw, flat 6X20
93891-06012-00
Screw washer 6X12
93901-22320
Screw, tapping 3X12
Note :
This is JDM (Japanese Domestic Market) parts, So please make sure the item is fit with your car before purchase.
Shipping :
I will ship to world wide by expedited shipping carrier as EMS, DHL or Fedex! (include tracking number)
** You can check the total shipping fee before payment. Please go "ADD TO CART" and put the shipping information.
** Usually, we will ship items within 5 business days. But if it is stocked out in maker, the delivery will be delay. In that case, I will inform you.
![Load image into Gallery viewer, [NEW] JDM HONDA STREAM RN6 2013 Front Door Locks/Outer Handles GENUINE OEM](http://jdmyamato.com/cdn/shop/files/nhp001591_110x110@2x.jpg?v=1752563520)
![Load image into Gallery viewer, [NEW] JDM HONDA STREAM RN6 2013 Front Door Locks/Outer Handles GENUINE OEM](http://jdmyamato.com/cdn/shop/files/1_d8cf5c09-6a04-47eb-847b-4632eafcb712_110x110@2x.jpg?v=1752563520)
![Load image into Gallery viewer, [NEW] JDM HONDA STREAM RN6 2013 Front Door Locks/Outer Handles GENUINE OEM](http://jdmyamato.com/cdn/shop/files/1_43f53005-f9c1-4dee-a789-860fdc4abb70_110x110@2x.jpg?v=1752563520)
![Load image into Gallery viewer, [NEW] JDM HONDA STREAM RN6 2013 Front Door Locks/Outer Handles GENUINE OEM](http://jdmyamato.com/cdn/shop/files/1_8def4cd6-6997-4daf-897b-193852295c46_110x110@2x.jpg?v=1752563520)
![Load image into Gallery viewer, [NEW] JDM HONDA STREAM RN6 2013 Front Door Locks/Outer Handles GENUINE OEM](http://jdmyamato.com/cdn/shop/files/1_744148c3-93ac-4ff0-aece-f58fa321acc7_110x110@2x.jpg?v=1752563520)
![Load image into Gallery viewer, [NEW] JDM HONDA STREAM RN6 2013 Front Door Locks/Outer Handles GENUINE OEM](http://jdmyamato.com/cdn/shop/files/1_a9b01bda-2998-46b9-a88c-5572f5f5d69b_110x110@2x.jpg?v=1752563520)
![Load image into Gallery viewer, [NEW] JDM HONDA STREAM RN6 2013 Front Door Locks/Outer Handles GENUINE OEM](http://jdmyamato.com/cdn/shop/files/1_95b9313c-3a1f-4090-b08d-b7ab03c65141_110x110@2x.jpg?v=1752563520)
![Load image into Gallery viewer, [NEW] JDM HONDA STREAM RN6 2013 Front Door Locks/Outer Handles GENUINE OEM](http://jdmyamato.com/cdn/shop/files/1_2464fdfd-d97b-4ad5-8f19-21a65b6b6653_110x110@2x.jpg?v=1752563520)
![Load image into Gallery viewer, [NEW] JDM HONDA STREAM RN6 2013 Front Door Locks/Outer Handles GENUINE OEM](http://jdmyamato.com/cdn/shop/files/1_822bdbb3-109a-46b6-8ed6-27d3a404215d_110x110@2x.jpg?v=1752563520)
![Load image into Gallery viewer, [NEW] JDM HONDA STREAM RN6 2013 Front Door Locks/Outer Handles GENUINE OEM](http://jdmyamato.com/cdn/shop/files/1_41da95bf-049e-4e4e-b9b7-32ab0307ae53_110x110@2x.jpg?v=1752563520)
![Load image into Gallery viewer, [NEW] JDM HONDA STREAM RN6 2013 Front Door Locks/Outer Handles GENUINE OEM](http://jdmyamato.com/cdn/shop/files/1_5f9d526c-f525-4663-9296-6ab05f9dbb89_110x110@2x.jpg?v=1752563520)
![Load image into Gallery viewer, [NEW] JDM HONDA STREAM RN6 2013 Front Door Locks/Outer Handles GENUINE OEM](http://jdmyamato.com/cdn/shop/files/1_15c4c4c6-0103-4219-baec-c463894a6262_110x110@2x.jpg?v=1752563520)
![Load image into Gallery viewer, [NEW] JDM HONDA STREAM RN6 2013 Front Door Locks/Outer Handles GENUINE OEM](http://jdmyamato.com/cdn/shop/files/1_0498425e-12e2-4c30-8dc5-ad3e4019926d_110x110@2x.jpg?v=1752563520)
![Load image into Gallery viewer, [NEW] JDM HONDA STREAM RN6 2013 Front Door Locks/Outer Handles GENUINE OEM](http://jdmyamato.com/cdn/shop/files/1_3870ddf3-11fa-4068-ab0c-6171d21845bc_110x110@2x.jpg?v=1752563520)
![Load image into Gallery viewer, [NEW] JDM HONDA STREAM RN6 2013 Front Door Locks/Outer Handles GENUINE OEM](http://jdmyamato.com/cdn/shop/files/1_3b5f1a6b-194d-49d9-9fd5-faa92550eea2_110x110@2x.jpg?v=1752563520)
![Load image into Gallery viewer, [NEW] JDM HONDA STREAM RN6 2013 Front Door Locks/Outer Handles GENUINE OEM](http://jdmyamato.com/cdn/shop/files/1_e760af60-404c-45c8-a6ea-53817342f434_110x110@2x.jpg?v=1752563520)
![Load image into Gallery viewer, [NEW] JDM HONDA STREAM RN6 2013 Front Door Locks/Outer Handles GENUINE OEM](http://jdmyamato.com/cdn/shop/files/1_cd4f2059-4d3d-4e7c-933b-d98b0cbbbc28_110x110@2x.jpg?v=1752563520)
![Load image into Gallery viewer, [NEW] JDM HONDA STREAM RN6 2013 Front Door Locks/Outer Handles GENUINE OEM](http://jdmyamato.com/cdn/shop/files/1_e7330952-1dfe-48bd-a337-053ab0c0221e_110x110@2x.jpg?v=1752563520)
![Load image into Gallery viewer, [NEW] JDM HONDA STREAM RN6 2013 Front Door Locks/Outer Handles GENUINE OEM](http://jdmyamato.com/cdn/shop/files/1_959151dd-f092-4e92-b93c-da9b67eb03dd_110x110@2x.jpg?v=1752563520)
![Load image into Gallery viewer, [NEW] JDM HONDA STREAM RN6 2013 Front Door Locks/Outer Handles GENUINE OEM](http://jdmyamato.com/cdn/shop/files/1_952d2f48-7b5d-487e-8555-0e19971541f1_110x110@2x.jpg?v=1752563520)
![Load image into Gallery viewer, [NEW] JDM HONDA STREAM RN6 2013 Front Door Locks/Outer Handles GENUINE OEM](http://jdmyamato.com/cdn/shop/files/1_bf36ff31-4f81-47f3-b17c-7e80211398ed_110x110@2x.jpg?v=1752563520)
![Load image into Gallery viewer, [NEW] JDM HONDA STREAM RN6 2013 Front Door Locks/Outer Handles GENUINE OEM](http://jdmyamato.com/cdn/shop/files/1_a6be23b8-a953-4ea9-a947-9b99281eda14_110x110@2x.jpg?v=1752563520)
![Load image into Gallery viewer, [NEW] JDM HONDA STREAM RN6 2013 Front Door Locks/Outer Handles GENUINE OEM](http://jdmyamato.com/cdn/shop/files/1_07223597-840d-4660-8075-4b34b6ae77a6_110x110@2x.jpg?v=1752563520)
![Load image into Gallery viewer, [NEW] JDM HONDA STREAM RN6 2013 Front Door Locks/Outer Handles GENUINE OEM](http://jdmyamato.com/cdn/shop/files/1_fdd2429c-ef99-4199-af18-23ba77fc9f18_110x110@2x.jpg?v=1752563520)
![Load image into Gallery viewer, [NEW] JDM HONDA STREAM RN6 2013 Front Door Locks/Outer Handles GENUINE OEM](http://jdmyamato.com/cdn/shop/files/1_2eea0d26-585f-4112-8a32-4c1a208cf50d_110x110@2x.jpg?v=1752563520)
![Load image into Gallery viewer, [NEW] JDM HONDA STREAM RN6 2013 Front Door Locks/Outer Handles GENUINE OEM](http://jdmyamato.com/cdn/shop/files/1_c36830a9-3137-4d0e-9b77-19c6746100f3_110x110@2x.jpg?v=1752563520)
![Load image into Gallery viewer, [NEW] JDM HONDA STREAM RN6 2013 Front Door Locks/Outer Handles GENUINE OEM](http://jdmyamato.com/cdn/shop/files/1_583fd694-c468-42d3-bed2-158103846c2d_110x110@2x.jpg?v=1752563520)
![Load image into Gallery viewer, [NEW] JDM HONDA STREAM RN6 2013 Front Door Locks/Outer Handles GENUINE OEM](http://jdmyamato.com/cdn/shop/files/1_02a33d5d-3b68-4bd6-bc7b-3ceee756f987_110x110@2x.jpg?v=1752563520)
![Load image into Gallery viewer, [NEW] JDM HONDA STREAM RN6 2013 Front Door Locks/Outer Handles GENUINE OEM](http://jdmyamato.com/cdn/shop/files/1_318c72e7-7483-4043-9664-48e396932c0c_110x110@2x.jpg?v=1752563520)
![Load image into Gallery viewer, [NEW] JDM HONDA STREAM RN6 2013 Front Door Locks/Outer Handles GENUINE OEM](http://jdmyamato.com/cdn/shop/files/1_03b2dec3-05eb-4617-8620-ed5a8a6675f1_110x110@2x.jpg?v=1752563520)
![Load image into Gallery viewer, [NEW] JDM HONDA STREAM RN6 2013 Front Door Locks/Outer Handles GENUINE OEM](http://jdmyamato.com/cdn/shop/files/1_579f7b69-e8b3-4d4a-a3e1-94c7e7eaee8c_110x110@2x.jpg?v=1752563521)
![Load image into Gallery viewer, [NEW] JDM HONDA STREAM RN6 2013 Front Door Locks/Outer Handles GENUINE OEM](http://jdmyamato.com/cdn/shop/files/1_b21b087c-9541-4b48-80a0-b642e450effb_110x110@2x.jpg?v=1752563521)
![Load image into Gallery viewer, [NEW] JDM HONDA STREAM RN6 2013 Front Door Locks/Outer Handles GENUINE OEM](http://jdmyamato.com/cdn/shop/files/1_dec62547-7d68-4ff3-8df7-178ed754cfc8_110x110@2x.jpg?v=1752563521)
![Load image into Gallery viewer, [NEW] JDM HONDA STREAM RN6 2013 Front Door Locks/Outer Handles GENUINE OEM](http://jdmyamato.com/cdn/shop/files/1_35d67cb3-c406-45d3-a56f-a8a9d64674ca_110x110@2x.jpg?v=1752563521)
![Load image into Gallery viewer, [NEW] JDM HONDA STREAM RN6 2013 Front Door Locks/Outer Handles GENUINE OEM](http://jdmyamato.com/cdn/shop/files/1_2f1d26ca-168d-4e2d-8441-3664a766e475_110x110@2x.jpg?v=1752563521)
![Load image into Gallery viewer, [NEW] JDM HONDA STREAM RN6 2013 Front Door Locks/Outer Handles GENUINE OEM](http://jdmyamato.com/cdn/shop/files/1_b755f8d0-2a01-4ea8-82fe-9925ab0aac34_110x110@2x.jpg?v=1752563521)
![Load image into Gallery viewer, [NEW] JDM HONDA STREAM RN6 2013 Front Door Locks/Outer Handles GENUINE OEM](http://jdmyamato.com/cdn/shop/files/1_ab4ca9ee-480a-4f5e-9184-1e1f52317d17_110x110@2x.jpg?v=1752563521)
![Load image into Gallery viewer, [NEW] JDM HONDA STREAM RN6 2013 Front Door Locks/Outer Handles GENUINE OEM](http://jdmyamato.com/cdn/shop/files/1_8d605ab6-274b-439a-bed2-07e23950a046_110x110@2x.jpg?v=1752563521)
![Load image into Gallery viewer, [NEW] JDM HONDA STREAM RN6 2013 Front Door Locks/Outer Handles GENUINE OEM](http://jdmyamato.com/cdn/shop/files/1_3eddb727-ef4b-42bb-b470-f8e2479fe73a_110x110@2x.jpg?v=1752563521)
![Load image into Gallery viewer, [NEW] JDM HONDA STREAM RN6 2013 Front Door Locks/Outer Handles GENUINE OEM](http://jdmyamato.com/cdn/shop/files/1_7b5d2313-51dd-4842-a6ae-075681a5fbb7_110x110@2x.jpg?v=1752563521)
![Load image into Gallery viewer, [NEW] JDM HONDA STREAM RN6 2013 Front Door Locks/Outer Handles GENUINE OEM](http://jdmyamato.com/cdn/shop/files/1_61fbcbce-daa2-4ceb-bd61-9116f1d2db23_110x110@2x.jpg?v=1752563521)
![Load image into Gallery viewer, [NEW] JDM HONDA STREAM RN6 2013 Front Door Locks/Outer Handles GENUINE OEM](http://jdmyamato.com/cdn/shop/files/1_7f4d09cf-af41-4718-9443-4272e33c8308_110x110@2x.jpg?v=1752563521)
![Load image into Gallery viewer, [NEW] JDM HONDA STREAM RN6 2013 Front Door Locks/Outer Handles GENUINE OEM](http://jdmyamato.com/cdn/shop/files/1_21d1da0c-8533-4395-96d6-3055b5bbe63d_110x110@2x.jpg?v=1752563521)